Уведомления
Очистить все
Страница 2 / 2
Предыдущий
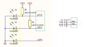
@anon12312 Если цепи все-таки эти, просто неверно обозначены, то резисторы могут влиять, тем более номинал низкий.
Размещено : 10.12.2025 11:03
@aveal Спасибо за уделенное время. Ошибка была в том что линии передачи данных шли на питание через резюк.
Создатель темы Размещено : 14.12.2025 23:42
Страница 2 / 2
Предыдущий
